¿QUE ES LA INSTRUMENTACIÓN?
Es aquella que abarca un conjunto de elementos con los cuales se pueden medir, procesar, registrar y/o convertir variables físico-químicas para que por medio de ellas se puedan optimizar y controlar procesos industriales.
La instrumentación no solo está en la industria sino también en la medicina, en la aeronáutica, en la electrónica y en otras bases del conocimiento.
La instrumentación industrial es un campo de la ingeniería que se encarga del diseño, la implementación y el mantenimiento de sistemas de medición y control en entornos industriales.
La instrumentación industrial es esencial para el funcionamiento seguro y eficiente de la maquinaria y los procesos en una variedad de industrias, como la petroquímica, la alimentaria, la farmacéutica, la automotriz y muchas más.
La instrumentación industrial se compone de una variedad de dispositivos y sistemas que permiten la medición, el control y la automatización de procesos industriales.
Algunos de los instrumentos más comunes utilizados en la instrumentación industrial incluyen:
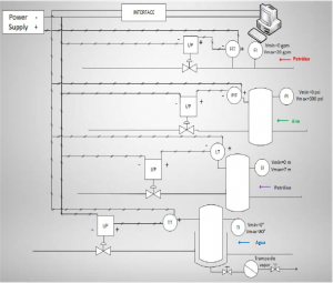
Sensores: los sensores se utilizan para medir variables físicas como temperatura, presión, caudal y nivel. Los sensores son una parte esencial de la instrumentación industrial, ya que proporcionan información sobre las condiciones del proceso.
Transmisores: los transmisores convierten la señal del sensor en una señal analógica o digital que puede ser procesada por un sistema de control. Los transmisores también pueden amplificar la señal para mejorar la precisión de la medición.
Controladores: los controladores se utilizan para regular los procesos industriales en función de los datos de los sensores. Los controladores pueden ser programados para automatizar el proceso de control y garantizar la precisión y la estabilidad del proceso.
Actuadores: los actuadores son dispositivos que reciben una señal de un controlador y realizan una acción en el proceso industrial. Los actuadores pueden ser motores, válvulas, bombas, etc.
Sistemas de adquisición de datos: los sistemas de adquisición de datos se utilizan para recopilar y almacenar los datos de los sensores y los controladores. Los sistemas de adquisición de datos también pueden procesar los datos para proporcionar información útil para la toma de decisiones.
La instrumentación industrial es una parte crítica de la ingeniería en la que se utilizan dispositivos y sistemas para medir, controlar y automatizar procesos industriales.
Los sistemas de instrumentación industrial permiten el funcionamiento seguro y eficiente de la maquinaria y los procesos en una amplia variedad de industrias.
Con la ayuda de la instrumentación industrial, se pueden mejorar la calidad del producto, la eficiencia del proceso y la seguridad en el lugar de trabajo.
