CALDERA ¿Que es – para que sirve – como funciona?
La caldera es un componente de vital importancia en la industria y de hecho es común encontrarse con ellas debido a que muchos de los procesos industriales usan vapor en altas cantidades.
La caldera tiene una característica particular y es su capacidad nominal de producir vapor en toneladas/hora en relación a una presión específica.
La caldera tiene varios propósitos fundamentales dentro de los cuales destacamos el aporte de energía calorífica suficiente en la combustión del fuel-oil o del gas con el aire, adicional a ello todas las variables críticas presentes en ella deben ser controladas y deben estar en sus respectivos límites.
También es importante garantizar una llama que sea completamente segura en la combustión.
CALDERA ¿Que es – para que sirve – como funciona?
La llama se genera por accionamiento de un arco o una chispa generada por un transformador de alto voltaje, las técnicas de control implementadas en la caldera deben garantizar seguridad, confiabilidad, eficiencia durante la operación y el respectivo paro de la caldera, el funcionamiento de esta vs su respectiva optimización genera rentabilidad y economía lo cual es beneficioso.
SISTEMA DE CONTROL DE COMBUSTIÓN DE LA CALDERA
La regulación de combustión significa mantener de forma constante la presión del vapor en la caldera siempre y cuando se tome a sus variaciones como medidas de diferencia entre el calor que se toma de la caldera como un vapor y el calor que se le suministra a la caldera.
Otro detalle importante es que el controlador de la presión del vapor es ajustado mediante una válvula de control de combustible.
La señal proveniente del caudal de aire es modificado por un relé de relación cuya acción es ajustar la relación directa que existe entre aire vs combustible, finalmente todo llega a un controlador que obviamente se rige por una ley de control y es el encargado además de comparar con la señal de caudal del combustible.
CALDERA ¿Que es – para que sirve – como funciona?
Las consideraciones a tener en cuenta para la correcta operación de una caldera son: si la relación no es correcta se envía una señal a un servomotor de mando de un ventilador o a la válvula mariposa de modo que el caudal de aire se ajuste hasta que la relación de combustible sea la indicada.
Dentro de las características para generar una buena combustión tenemos las siguientes:
Caudal combustible-caudal aire en serie
Caudal aire- caudal combustible en serie
Presión de vapor-caudal combustible/ caudal vapor-caudal del aire en serie
Caudal aire-caudal combustible en forma paralela.
CALDERA ¿Que es – para que sirve – como funciona?
CAUDAL COMBUSTIBLE-CAUDAL AIRE EN SERIE
| figura 1 |
podemos ver en la figura 1 que el control de presión ajusta el punto de consigna del control de caudal del combustible y esta variable va actuando por medio de un relé de relación en este caso será combustible-aire como un punto de consigna del controlador del aire.
Como el caudal del combustible presenta variaciones las cuales modifican la señal de presión de vapor, el controlador máster es capaz de ajustarse para una respuesta no instantánea pero si rápida ante cambios en la variable presión.
En este orden de ideas si se varia la presión del vapor, el caudal del combustible es capaz de cambiar antes que lo haga el aire de combustión.
Si hay limitación en el caudal de combustible, el caudal de aire quedará completamente limitado.
Una desventaja que presenta este sistema es un riesgo inminente de explosión que se presenta ante un fallo de aire en el punto de consigna del controlador de caudal de aire.
CAUDAL AIRE-CAUDAL DE COMBUSTIBLE EN SERIE.
| figura 2 |
Como podemos observar en la figura N°2 aquí la señal del aire ajusta a través del relé de relación del control de combustible.
Este sistema es muy seguro que el mencionado anteriormente ya que esta relación elimina la posibilidad de formación de una mezcla explosiva cuando por algún motivo la señal de combustión falla.
A diferencia del anterior usa un control de carga de la caldera a la salida del máster de presión lo cual es muy común en varias calderas.
El control de carga es dirigida a dos selectores de máxima y mínima debido a que ante un aumento de la demanda de vapor la señal pasa al controlador de aire sin que el combustible entre en aumente hasta que no lo haga el aire; si el vapor entra en pérdida o disminuye, el combustible disminuye y luego lo hace el aire y si por algún momento la señal de aire llegase a fallar el caudal de gasolina baja a cero.
Operar esta caldera es muy seguro gracias a este sistema.
PRESION DE VAPOR. CAUDAL DE COMBUSTIBLE EN SERIE/CAUDAL VAPOR-CAUDAL DE AIRE EN SERIE
| Figura 3
si el sistema de la figura 2 es seguro, este es mucho más seguro en términos de mantener la proporción correcta entre aire y combustible aunque la medición del combustible no sea la correcta.
En esta caldera el controlador de presión del vapor controla el caudal del combustible ajustándolo, el transmisor de caudal del vapor se encarga de ajustar el controlador del caudal de aire al sistema de control de combustible.
Aunque se presente variaciones rápidas de caudal de vapor algunas de estas no solo son por la presión de linea del vapor principal.
Una de las aplicaciones de este tipo de sistemas es en calderas de carbón totalmente pulverizado y minimizado a sus más mínimas partículas.
CALDERA ¿Que es y como funciona?
Una de las ventajas destacables de este sistema es su control directo con el combustible y en el aire, es capaz de mantener una proporción estable y correcta entre el combustible y el aire, además de ello es conveniente incorporar a este sistema un relé de relación manual.
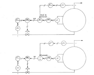
CONTROL DE NIVEL PARA UNA CALDERA
Es importante establecer un punto de regulación del agua de alimentación ya que el nivel depende de muchos factores como son: el tipo de la caldera, las cargas, el tipo de bomba que se está trabajando y el control de presión del agua de entrada.
El sistema de control del agua de alimentación se realiza de acuerdo con la capacidad de producción que contenga la caldera.
La regulación del nivel se hace a través de un mecanismo flotador instalado internamente sobre la caldera pero si ustedes observan en la figura 5 depende del caudal de entrada, bien sea de una bomba que esté alimentando de agua la caldera o si se está usando un transmisor que le da la orden a una válvula controlada es la segunda opción por la cual se puede controlar nivel.
Obviamente para que las condiciones anteriores se cumplan depende exclusivamente de la capacidad de almacenamiento de líquidos de la caldera.
La regulación del nivel de dos elementos es posible con un control de caudal de vapor y un control de nivel en donde las señales de salida son comparadas con relés de relación que actúa directamente sobre el control de agua de alimentación.
De acuerdo con la demanda de caudal de vapor existe una aportación casi que inmediata del agua de alimentación a través de un control secundario de nivel. Este dispositivo solo es utilizado en caso de hacer un ajuste de variaciones que suelen producirse en en tiempo con relación al nivel de la caldera.
|
La regulación de tres elementos es capaz de eliminar el fenómeno de oscilación que presenta el nivel del agua que ocurre cuando el caudal de vapor crece o baja rápidamente.
CALDERA ¿Que es – para que sirve – como funciona?
Cuando hay un aumento en el caudal de forma brusca, la presión baja y se produce una rápida vaporización que fuerza la producción de burbujas y agua lo que ocasiona que el nivel aparentemente aumente.
La oscilación es totalmente opuesta a la demanda y el fenómeno importante en calderas de cierta potencia y de reducido volumen, sujeta a variaciones de caudal frecuentes y rápidas.
CALDERA ¿Que es – para que sirve – como funciona?
Las tres variables que intervienen en una caldera son:
Caudal de vapor
Caudal de alimentación de agua
Nivel de agua.
Para que las condiciones de operación sean las más optimas, el caudal de vapor y el caudal de agua deben ser iguales y de forma secundaria, el nivel del agua debe ajustarse de manera periódica para que este se mantenga de los limites determinados lo ideal es que sea 50mm por encima y por debajo de la linea central de la caldera manteniendo estas funciones en las tres variables correspondientes.
SEGURIDAD DE LLAMA
A excepción las calderas de baja capacidad, el elemento detector utilizado universalmente es el ultravioleta por la gran seguridad que se ofrece.
El relé de llama conectado al detector puede aportar muchas formas: desde una sencilla alarma y paro de la caldera hasta realizar funciones de pre-barrido lo que consiste en limpieza de gases que pueden haberse acumulado desde la ultima combustión, encendido de la llama piloto, encendido de la llama principal, paro de instalación por enclavamiento secuencial en el que intervienen elementos como: fallo de alarma, presóstato de baja presión de combustible o gas, alarma de nivel de la caldera etc.
El circuito detector de llama dispone además de una comprobación de su propio circuito en el arrancador de la caldera lo cual es muy importante en las industrias que tienen paros una vez por semana.
Si este proceso llegase a ser continuo y la caldera debe trabajar sin paros durante largos periodos de tiempo se aumenta el riesgo coincidente de fallo del sistema de seguridad y la presencia de grandes combustibles sin quemar. Es recomendable utilizar un sensor ultravioleta llamado fotocelda que permite auto-comprobar cada segundo el circuito electrónico del sistema de llama.
VIDEOS EXPLICATIVOS DE FUNCIONAMIENTO DE UNA CALDERA
CALDERA POLITECNICO COLOMBIANO JAIME ISAZA CADAVID
