El objetivo de este proyecto, es la producción y exportación del petróleo, para poder llevarla a un proceso de destilación, y así obtener diferentes fracciones o derivados como la gasolina, los gases, los aceites y lubricantes, pudiendo llevarlos a otras industrias.
En este proceso, el nivel se almacena antes de salir a producción en tanques de 8 metros y manteniéndola en un nivel de 0 a 6 metros, después, se pasa por una tubería que se debe transportar un caudal determinado de 0 gpm a 10 gpm, donde después va a pasar por un método de recuperación térmica en el cual se va a calentar agua en un tanque, manteniéndola en un rango de 20º a 70º, para así inyectarle agua caliente.
La inundación con agua caliente reduce la viscosidad del petróleo, permitiéndole moverse con mayor facilidad. Por último, medimos la presión del aire manteniéndola en un rango de 0 psi a 200 psi, para garantizar un proceso de recuperación asistida de petróleo.
El oxígeno presente en el gas reacciona exotérmicamente con una parte del petróleo, produciendo gas de chimenea altamente móvil. El gas de chimenea avanza delante del frente de reacción y logra un desplazamiento eficiente del petróleo en sitio.
Los científicos consideran que la alta eficiencia de desplazamiento de la inyección de aire a alta presión se debe a una combinación de procesos entre los que se encuentran el desplazamiento de gas inmiscible, el mejoramiento de la miscibilidad causado por la presencia de CO2 en el gas de chimenea, la reducción de la tensión interracial, la dilatación del petróleo y la re presurización del yacimiento.
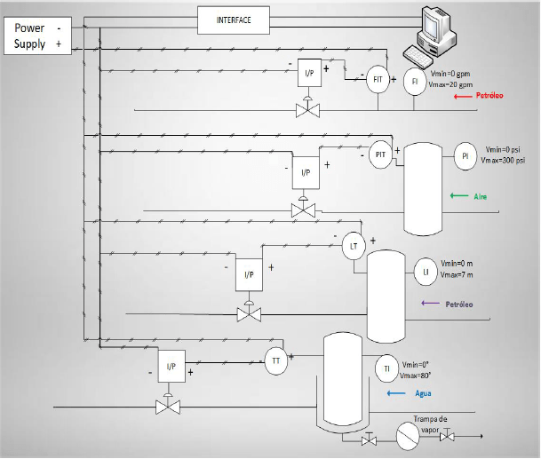
Pasando entonces por un proceso de producción, que va a permitir la salida de este de una forma segura y fácil a las distantes empresas que necesiten de él. Veremos entonces, el diagrama que se va a usar para darnos una visualización de lo que se pretende realizar, y los instrumentos que vamos a utilizar.
Diagrama P&ID y conexión a dos hilos para medición de variables
Identificación de los instrumentos
Transmisores
Principio físico del funcionamiento del transductor
En el proceso de presión (Bourdon): Consta de un fino tubo metálico de paredes delgadas, de sección elíptica muy aplastada y arrollado en forma de circunferencia.
Este tubo está cerrado por un extremo que se une a una aguja móvil sobre un arco graduado.
El extremo libre, comunica con una guarnición que se conectara al recipiente que contiene el gas comprimido. Cuando la presión crece en el interior del tubo, este tiene a aumentar de volumen y a rectificarse, lo que pone en movimiento la aguja. Es un transductor mecánico.
En el proceso de nivel (Onda guiada): proporciona medición continua de nivel con una salida de señal de 4 a 20 mA. Donde adentro de la varilla se lanza una onda, y esta golpea con la superficie del fluido y se mide el tiempo que se demora la onda en ir y volver. Y permiten la medición de nivel y volumen. La medición no se ve afectada por las condiciones del proceso, altas temperaturas, altas presiones ni vapores.
En el proceso de caudal (ultrasonido): Su principio consiste en dos receptores que se mandan la señal entre ellos, los que van en el sentido de la corriente viajan a una velocidad, y los que van en contra de la corriente viajan a otra velocidad y esa diferencia de velocidad es lo que va a determinar el caudal.
En el proceso de temperatura (PT-100): El principio activo de las PT100 es la modificación de su resistencia eléctrica, que varía según la temperatura a la que son sometidas. Como elemento extendido, la PT100 recoge el valor medio de la temperatura existente a toda su longitud.
visita nuestros contenidos relacionados con máquinas eléctricas.
visita nuestros contenidos relacionados con PLC
visita nuestros contenidos relacionados con mediciones e instrumentación.
CONTENIDOS MÁS RELEVANTES.
