GENERAL.
ü Realizar adecuadamente diagramas representativos de ingeniería utilizados en el control automático de un proceso industrial.
ESPECIFICOS
ü Identificar los instrumentos que intervienen en el control de un proceso
ü Representar un proceso controlado a través de simultáneos diagramas de ingeniería
ü Diferenciar señales de proceso de señales de instrumentación.
CONCEPTUALIZACION PREVIA.
ü Que es un diagrama esquemático
ü Que es un diagrama de instrumentación y procesos (P&ID)
ü Que es un diagrama de bloques de control
ü Que es un diagrama de conexiones eléctricas
ü Investigar cómo se realizan las conexiones eléctricas en sistemas de transmisión y control
ü Que es un diagrama de conexiones neumáticas
ü Cuáles son las partes de una válvula de control neumática.
CONCEPTUALIZACION
DIAGRAMA ESQUEMATICO: es una representación pictórica que se usa como guía para visualizar donde van ubicados cada uno de los componentes, para este caso instrumentos, analizar el principio de funcionamiento y cual es el objetivo que se quiere lograr con este tipo de visualización. El diagrama esquemático simplifica el trabajo de aquellas personas que no logran identificar simbología y componentes ya sean mecánicos, eléctricos, electrónicos, etc.
DIAGRAMA DE INSTRUMENTACION Y PROCESOS (P&ID):es una representación grafica especial donde se emplean instrumentos de medición, actuadores, plantas y elementos que intervienen en un sistema de control automático de procesos. La norma que rige este parámetro es la (ANSI/ISA) 5S.1 regulada por la sociedad de instrumentistas de América.
DIAGRAMA DE BLOQUES DE CONTROL: es una representación grafica que muestra la relación entre los subsistemas y las variables de un sistema de control
DIAGRAMA DE CONEXIONES ELECTRICAS: es una representación grafica que muestra la conexión de sistemas eléctricos cuyo objetivo principal es orientarse al diseño y a la solución de problemas de ejecución material.
COMO SE REALIZAN LAS CONEXIONES ELECTRICAS EN SISTEMAS DE TRANSMISION Y CONTROL: Para realizar este tipo de conexiones entre controladores y sistemas de control, debe realizarse en serie para evitar daños en los sistemas y con una fuente preferiblemente dual y regulada a 24VDC ya que a ese nivel de tensión trabajan los dispositivos a conectar, si bien se sabe que el voltaje en serie es variable pero la corriente no lo es, ésta permanece constante en todo el circuito ya que con esta se logra una estandarización de 4 a 20 mA cuando se efectúan mediciones de variables físicas, cabe mencionar que esa señal no esta estandarizada solo para corriente, también lo está para el voltaje, que nos entrega un valor de 0 a 5 volts, además no se debe trabajar con altos voltajes para muestreo y adquisición de datos en un proceso industrial ya que sería ilógico hacerlo. Ningún instrumento trabaja con tensiones altas directamente en el proceso.
CONEXIONES
Figura N°1 analogía de conexión de los instrumentos y mediciones de corriente y voltaje
PARTES DE UNA VÁLVULA DE CONTROL NEUMÁTICA
DIAGRAMA DE CONEXIONES NEUMATICAS
Es un diagrama que visualiza el movimiento neumático de los actuadores mostrando así las conexiones físicas entre válvulas y elementos neumáticos. Las válvulas normalmente son de simple efecto y doble efecto, simple efecto cuando le ingresa un solo tubo de aire y doble efecto cuando le ingresan dos para hacer un avance y retroceso de tipo lineal.
VALVULA SIMPLE EFECTO
http://co.kalipedia.com/tecnologia/tema/robotica/cilindros.html?x=20070821klpinginf_112.Kes&ap=8
VALVULA DOBLE EFECTO
http://tecnologiasanchezcanton.blogspot.es/
DIAGRAMA ESQUEMATICO DEL INTERCAMBIADOR DE CALOR.. DISEÑADO EN PAINT
DIAGRAMA DE BLOQUES DEL INTERCAMBIADOR DE CALOR
DIAGRAMA DE CONEXIONES ELECTRICAS
DIAGRAMA DE INSTRUMENTACION Y PROCESOS (P& ID)
IDENTIFICACION DE ELEMENTOS
1-PI: indicadores de presión en el proceso
2-FI: indicadores de flujo (ROTAMETRO)
3-TY: conversor de temperatura a presión
4-TIC: controlador indicador de temperatura
5-TT: transmisor de temperatura
6-TE: sensor de temperatura
7-TI: indicador de temperatura
DIAGRAMA DE CONEXIONES NEUMATICAS INTERCAMBIADOR DE CALOR
MEDICIONES
Para dos valores de porcentaje ajustados en el controlador estos fueron los resultados obtenidos, el valor de la salida estimada de corriente estimada, ha sido calculado con una regla de tres compuesta y lo mismo el error absoluto de la temperatura.
Cálculos de error y valores estimados de corriente, se aprecia una aproximación en el valor de corriente
DIAGRAMA DE CONEXIONES ELÉCTRICAS CONTROL DE PRESIÓN
DIAGRAMA DE BLOQUES DE CONTROL
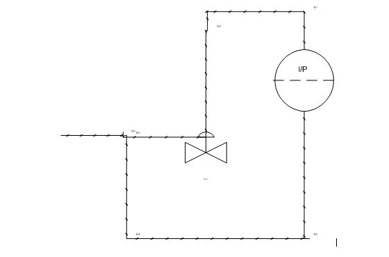
DIAGRAMA DE CONEXIONES NEUMÁTICAS MEDICIÓN DE PRESIÓN TANQUE CERRADO
DIAGRAMA DE BLOQUES DE CONTROL
ANÁLISIS DE RESULTADOS
Las posibles causas de error de acuerdo a las mediciones realizadas en los procesos mencionados anteriormente son las siguientes,
Instrumentos mal calibrados
Controladores con mala parametrizacion
Mala lectura de la indicación de la variable medida.
Posibles fugas en las tuberías involucradas en el proceso
El uso de instrumentos de medición no apropiados para determinado proceso
El error absoluto si nos damos cuenta, se aprecian valores un poco altos y unos muy bajos, teniendo en cuenta las causas de error podemos deducir las posibles fallas en los sistemas neumáticos como por ejemplo las fugas de aire, si esto fuera un gas(x) explosivo, el daño seria catastrófico
Para los tres procesos, la conexión eléctrica es la misma puesto que se trabajo con el controlador honeywell en los tres procesos, cabe mencionar que este controlador no se le conecto el registrador puesto que no se necesitaba visualizar graficas del comportamiento de cada uno de los procesos controlados.
A diferencia del honeywell, la fuente del controlador FISHER AND PORTER de ABB la tiene dentro del armario donde están ubicados los controladores. Característica esencial al momento de conectar los respectivos sistemas eléctricos tales como transmisores e indicadores.
CONCLUSIONES
· Un diagrama de instrumentación y procesos P&ID nos ayuda a identificar los elementos conectados en un proceso industrial, y en caso de ver una falla, nos ofrece una manera mas rápida de detectar el origen e implementar una solución rápida que no conlleve a una falla catastrófica en el proceso
· Los distintos diagramas nos ayudan a tener una mejor visión de los sistemas de control automático, desde el mas simple, al mas analítico y finalmente al mas complejo.
· con la experiencia realizada en el laboratorio se logró aprender a identificar los diferentes instrumentos que intervienen en el control de un proceso, también se puso en práctica lo aprendido en la clase teórica al realizar los diferentes diagramas (instrumentación, de bloques, de conexiones eléctricas y neumáticas y el esquemático) de los diferentes procesos con los que cuenta el laboratorio y también pudimos identificar y diferenciar algunas clases de señales de instrumentación en el control de un proceso.
BIBLIOGRAFIA
Instrumentación industrial. Antonio creuss solé 6 EDICION editorial alfa y omega.
GUIA PARA MEDICIONES ELECTRONICAS Y PRACTICAS DE LABORATORIO Stanley Wolf and Richard Smith. Pearson Educación 2005
Simbolos de diagramas P&ID http://es.scribd.com/doc/74814758/Simbolos-de-diagramas
CONTENIDOS MÁS RELEVANTES.
