TRANSISTORES FET Y MOSFET

Es un transistor de 3 terminales que se puede utilizar para múltiples aplicaciones similares a las de un transistor BJT.
A diferencia del transistor BJT que funciona «controlado por corriente«, estos  funcionan «controlados por voltaje«.
Para el caso de los FET dependerá de la corriente de drenador (IDs) en función de un voltaje de control VGs 
 

CARACTERISTICAS DE LOS TRANSISTORES DE EFECTO DE CAMPO FET

La impedancia es mucho más alta que la de los transistores bipolares expresadas en decenas de mega-ohm( MΩ)  e impedancia Zin (alta)
La ganancia «Av» es mayor en los transistores bipolares que en los FET.
En su estructura física, un transistor FET  es de menor tamaño respecto  a un transistor BJT sobre todo el MOSFET INCREMENTAL.
Los transistores FET son más estables a la temperatura que los BJT. 

CONSTRUCCION  DE LOS  TRANSISTORES JFETS

La mayor parte de la estructura es el material de tipo n que forma el canal entre las capas integradas de material tipo p.
La parte superior del canal de tipo n se encuentra conectada por medio de un contacto óhmico.
La parte superior del canal de tipo n se encuentra conectada por medio de un contacto óhmico a una terminal referida como drenaje (D) mientras que el extremo inferior del mismo material se conecta por medio de un contacto óhmico a una terminal referida como fuente (s).
Los dos materiales de tipo P se encuentran conectados entre si y también con la terminal de compuerta (G).
El drenaje y la fuente están conectados a los extremos del canal tipo n y la compuerta a las 2 capas de material tipo P El resultado es una región de empobrecimiento en los materiales tipo p.
 

ESTRUCTURA FÍSICA DE UN TRANSISTOR JFET

 

ANALOGÍA DEL AGUA PARA UN TRANSISTOR

 
La fuente de la PRESIÓN DE AGUA está vinculada al voltaje aplicado del DRENAJE a la fuente. La COMPUERTA (G) gracias a una señal aplicada “POTENCIAL” controla el flujo de agua “CARGA” dirigido hacia el drenaje
 
PRINCIPIO DE FUNCIONAMIENTO BÁSICO DE UN TRANSISTOR JFET
 

 

 
 
Aplicando voltajes de polarización de corriente directa a un dispositivo de canal N:
Vdd  genera un voltaje entre el drenaje y la fuente además de que hay un suministro de corriente del drenaje a la fuente.
Vggestablece el voltaje de polarización inversa entre la compuerta y la fuente, esto se hace para producir una región de empobrecimiento a lo largo de la unión pn la cual se extiende hacia el canal n y por tanto aumenta su resistencia al restringir el ancho del canal.
El ancho del canal y su resistencia se controlan variando el voltaje en la compuerta controlando de esa manera la cantidad de corriente en el drenaje ID
 
SIMBOLOGIA DE LOS TRANSISTORES FET
 
 
 
OTROS SIMBOLOS
 

 

 
MAGNITUDES DE LOS TRANSISTORES JFET
•Tres magnitudes para analizar comportamiento: ID, VDS y VGS  (t. control)
•Funcionamiento adecuado: dos uniones PN
•Canal N: VGS < 0. Canal P: VGS > 0
•Portadores de carga de fuente hacia drenador, generan ID
•Corriente IG =0. Por tanto: IS= ID
 
 
CURVAS DE TRANSFERENCIA DE LOS TRANSISTORES JFET
 
 
 
CASO 1
 
 
CASO 2
 
 
ZONAS DE FUNCIONAMIENTO DE UN TRANSISTOR JFET
 
 
 
POLARIZACION DEL  TRANSISTOR JFET
Antes de empezar a analizar circuitos de polarización con transistores de efecto de campo es importante tener en cuenta unas consideraciones de análisis para la resolución de circuitos y son las siguientes:

 

1- no se puede aplicar un voltaje directo entre drenador y fuente ya que en su punto de operación habrá inestabilidad entre los valores de corriente drenador fuente y voltaje compuerta fuente por efectos de la temperatura el punto de operación será inestable

 

2- si se va a polarizar a través de compuerta lo ideal es que sea negativo o cero.
3 algunos de los montajes o configuraciones de los transistores bipolares no funcionan para los transistores de efecto de campo y viceversa. YA DICHO ESTO PASEMOS A LOS EJERCICIOS
 
EJERCICIO N°1
Si la corriente del drenador es 3mA en la figura N°1 ¿Cuál es el valor de V_gs ? Cual es el valor de V_D? Cual es el de V_DS
 
Si circulan 3mA por la resistencia de la fuente o source, el voltaje a través del resistor de la fuente es:
V_s=Is ∗Rs3mA∗1k=3V
Procedemos a calcular el voltaje Vgs el cual es negativo y debería serlo por las consideraciones explicadas anteriormente (remitirse a la diapositiva N° 18)
V_gs=Vg-Vs →0V-3V=-3V
La terminal de la fuente no está aterrizada por lo tanto el voltaje del drenador a la fuente V_DS es diferente del voltaje drenador a tierra V_D el voltaje de drenador a tierra es:
V_gs=Vcc-Id(Rd) 15V-3mA∗2.2k=8.4V
el voltaje de drenador-fuente es:
V_ds=Vd-Vs 8.4V-3V=5.4V
 
Ejercicio 2
 
SOLUCIÓN
 
 
 
 
EJERCICIO N° 3  TRANSISTORES FET: POLARIZACIÓN POR FUENTE
 
 
 
 
SOLUCIÓN
 
 
FINALMENTE
 

TRANSISTOR MOSFET

 
Un transistor mosfet conduce corriente 
eléctrica entre dos patillas cuando aplicamos tensión en la otra patilla (una tercera patilla). Es un interruptor que se activa por tensión. Así de sencillo.
 Recuerda que un transistor pnp o npn (basados en la unión pn) hace lo mismo, pero la diferencia es que en los npno pnp la conducción se produce cuando le llega una pequeña corriente a la base, en el mosfet es por tensión, se activa cuando ponemos a una tensión mínima en la patilla del transistor llamada Gate.
Las otras dos patillas se llaman sumidero (entrada) y drenaje (salida). Aunque luego explicaremos todo con más detalle fíjate en el esquema siguiente. Se ven las 3 patillas y como cuando conectamos G hay circulación de corriente entre D y S.
 

POLARIZACION DE UN TRANSISTOR MOSFET

 
 

VENTAJAS DE USAR UN TRANSISTOR MOSFET

La principal ventaja del transistor MOSFET es que utiliza baja potencia para llevar a cabo su propósito y la disipación de la energía en términos de pérdida es muy pequeña, lo que hace que sea un componente importante en los modernos ordenadores y dispositivos electrónicos como los teléfonos celulares, relojes digitales, pequeños juguetes de robot y calculadoras.
 
COMPOSICIÓN FISICA Y CONSTRUCCIÓN DE UN TRANSISTOR MOSFET

Los mosfet se construyen sobre un semiconductor (tipo N o P) que se llama sustrato.

Sobre este semiconductor se funden el sumidero y el drenaje (entrada y salida) que es un semiconductor contrario al semiconductor usado para el sustrato.

En la primera imagen de abajo puedes ver el sustrato de tipo P y el drenador y la fuente de tipo N.

Recubriendo este bloque se coloca una capa de óxido metálico aislante que hace de dieléctrico o aislante entre la fuente y el sumidero.

Por encima de este óxido se coloca una placa de metal conductor. El óxido con el metal forman la tercera patilla o borne de conexión llamada puerta o gate (en inglés)

Tenemos 4 partes pero solo 3 patillas, ya que el sustrato está unido siempre a la puerta (gate), formando una única patilla del transistor.
S y D = semiconductor/es. A un lado está la patilla llamada sumidero o fuente (S). Al otro lado la patilla llamada Drenaje (D), drenador o salida. Entre estos dos terminales pasa la corriente cuando activamos G por medio de tensión. La corriente cuando se activa el transistor entra por S y sale por D, siempre que G tenga una tensión mínima, llamada tensión Umbral o  threshold = Vth.

 G = puerta o gate. La parte de arriba es un metal conductor y la de abajo el óxido.

P = capa de semiconductor base o sustrato contrario al semiconductor de S y D. En la imagen de la izquierda es de tipo N y entonces el sustrato debe ser P. Podría ser al revés, como puedes ver en la imagen de la derecha.

 El canal que queda entre S y D es del material del sustrato y se llama canal. Es la zona que hace de aislante impidiendo el paso de corriente cuando aplicamos tensión entre S y D.
 
SIMBOLOGÍA Y ESTRUCTURA DE UN TRANSITOR MOSFET
 
 
PRINCIPIO DE FUNCIONAMIENTO DE UN TRANSISTOR MOSFET
 
El Mosfet controla el paso de la corriente entre una entrada o terminal llamado fuente sumidero (source)  y una salida o terminal llamado drenador (drain), mediante la aplicación de una tensión (con un valor mínimo llamada tensión umbral) en el terminal llamado puerta (gate). Es un interruptor controlado por tensión. Al aplicar tensión conduce y cuando no hay tensión en la puerta no conduce.

El transistor de efecto de campo se comporta como un interruptor controlado por tensión, donde el voltaje aplicado a la puerta permite hacer que fluya o no corriente entre drenador y fuente.

El movimiento de carga se produce exclusivamente por la existencia de campos eléctricos en el interior del dispositivo.

TRANSISTOR MOSFET DE CANAL N DE ENRIQUECIMIENTO Ó ACUMULACIÓN
 
 
TRANSISTOR MOSFET DE CANAL N DE ENRIQUECIMIENTO Ó ACUMULACIÓN
 
 
EL N-MOS DE ACUMULACIÓN (CONT)
CREACIÓN DEL CANAL
 
EL N-MOS DE ACUMULACIÓN (CONT)
ESTANGULACION  DEL CANAL
 
 
MOSFET DE ENRIQUECIMIENTO EN REGION OHMICA
FUNCIONAMIENTO DEL MOSFET EN REGION ACTIVA
 
Cuando vDS  se hace igual a vGS– vt ,  la anchura del canal se hace cero, y el dispositivo entra a funcionar en la zona de saturación (también llamada zona activa), y la corriente  de drenador se hace constante 
FUNCIONAMIENTO EN LA REGION DE SATURACIÓN
FUNCIONAMIENTO EN LA REGIÓN DE SATURACIÓN
(O TAMBIÉN LLAMADO ESTADO
ACTIVO)
 
 
 
MOSFET DE CANAL P
 
CONDICIONES DE FUNCIONAMIENTO
 
ØAhora el sustrato es semiconductor de tipo N, y los pozos   drenador y fuente son de tipo P.
ØAhora los portadores de corriente son huecos
ØEl transistor estará a corte si vGS> vt
ØEn los transistores P-MOS de enriquecimiento, Vtes esencialmente negativa
 
 
 
POLARIZACIÓN DEL TRANSISTOR MOSFET
 
El procedimiento a seguir es idéntico al estudiado con los transistores bipolares.
Existen dos posibilidades:
Hallar el PUNTO DE OPERACION. Cuando se conoce el estado del transistor.
Hallar el PUNTO DE OPERACION. Cuando el estado es desconocido
En el primer caso, en el circuito equivalente de continua, sustituiremos el transistor por su modelo , y realizaremos el análisis correspondiente.
En el segundo caso, al igual que hicimos con diodos y transistores bipolares, supondremos un estado, realizaremos  el análisis correspondiente, y posteriormente comprobaremos si los resultados de corrientes y tensiones obtenidos son coherentes con el estado supuesto del transistor 
 

POLARIZACIÓN DE LOS TRANSISTORES MOSFET

Análisis de transistores en estado activo
 
 EJERCICIOS TRANSISTORES MOSFET
 
 
EJERCICIOS
 
 
 
 
 
 
 
 
MOSFET DE ENRIQUECIMIENTO
 
 
POLARIZACIÓN SIN REALIMENTACIÓN
 
ECUACIONES PARA EL ANÁLISIS DEL MONTAJE ANTERIOR
 
 
EJERCICIOS
 
CONFIGURACION EN DIVISOR DE TENSIÓN
 
APLICACIÓN DE TRANSISTORES MOSFET-SENSOR DE PH
 
Esta aplicación implica instrumentación electrónica en una planta de tratamiento de aguas residuales. El sistema controla la cantidad de ácido de reactivo base agregado al agua residual para neutralizarla.
El diagrama del sistema de neutralización de agua residual se muestra en la figura .
El sistema mide y controla el pH del agua, el cual es una medida del grado de acidez o alcalinidad. La escala de pH va de 0, para los ácidos más fuertes, a 7, para soluciones neutras, y hasta 14, para las bases más fuertes (cáusticas).
En general, el pH del agua residual oscila desde mayor que 2 hasta menor que 11.
Sondas de detección colocadas en las entradas y salidas de los tanques miden el pH del agua. La unidad de procesamiento y control utiliza las lecturas de los circuitos sensores de pH para ajustar la cantidad de ácido o base introducida en el tanque de neutralización.
El pH deberá ser 7 a la salida del tanque suavizador.
 
DIAGRAMA DE BLOQUES
 
 
En general, el tratamiento de aguas residuales se realiza en tres pasos de la siguiente manera:
 Tratamiento primario Recolección, filtrado y almacenamiento inicial
Tratamiento secundario Remoción de sólidos y de la mayoría de los contaminantes mediante filtros, coagulación, floculación y membranas
Tratamiento terciario Pulido, ajuste del pH, tratamiento con carbón para eliminar sabores y olores, desinfección y almacenamiento temporal para permitir que el agente desinfectante trabaje En esta aplicación, el enfoque es en el proceso de ajuste del pH en la etapa terciaria del tratamiento.
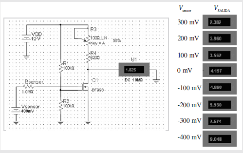
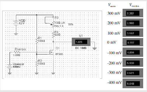
El circuito sensor
Hay tres circuitos sensores de pH idénticos, uno por cada una de las entradas/salidas indicadas en la figura El sensor de pH produce un pequeño voltaje (mV) proporcional al pH del agua en la cual está sumergido. El sensor de pH produce un voltaje negativo si el agua está ácida, nada de voltaje si está neutra y un voltaje positivo si está básica. La salida del sensor se dirige a la compuerta de un circuito con MOSFET, el cual amplifica el voltaje del sensor para que el controlador digital lo procese.

 

simulacion
MONTAJE
 
 
 
CALIBRACION
 
 
ANÁLISIS DE UN CIRCUITO FET Y MOSFET EN AC
 
 
 
TIPOS DE TRANSISTOR

En el mercado tenemos diversos tipos de  transistores, entre los cuales se encuentran los de corte y saturación, los FET y MOSFET, los IGBT por mencionar los más relevantes, sin embargo, aquí te dejamos unos links en color azul para que los puedas observar

TRANSISTOR EN CORTE Y SATURACIÓN.

LABORATORIO RELACIONADO CON TRANSISTORES.

FET Y MOSFET

TRANSISTOR IGBT

REGRESAR A ELECTRÓNICA BÁSICA.

 

Deja un comentario