IGBT.

 TRANSISTOR IGBT QUE ES- PARA QUE SIRVE- COMO FUNCIONA

Hablar de los IGBT son mayores palabras puesto que estos transistores son especiales, son de grandes prestaciones y aplicaciones de gran envergadura sobre todo en el campo industrial. Suponga que tiene un transistor bipolar en sus manos y que en vez de base tenga un pin llamado puerta. ¡pues muy bien! Este transistor que en inglés se le conoce como: INSULATED GATE BIPOLAR TRANSISTOR. Es conocido también como: TRANSISTOR BIPOLAR DE PUERTA AISLADA. Y por lo general sus aplicaciones las podemos encontrar en sistemas de electrónica de potencia y electrónica de control.

¿QUE ES UN TRANSISTOR IGBT?

Es un dispositivo versátil para trabajar en estas dos áreas de la electrónica por sus grandes manejos de corriente y el pequeñísimo voltaje de saturación que normalmente maneja un transistor bipolar y al igual que el transistor de efecto de campo FET, en la puerta o gate tiene las mismas características. La forma de conducción de corriente es similar a la de un transistor JFET.

 

De acuerdo a lo mencionado anteriormente, se puede decir que el transistor BJT y el JFET se fusionan y logran crear el IGBT, sin duda un poderoso componente electrónico.

Con un IGBT se han podido lograr grandes cosas: desde diseñar y fabricar dispositivos de control y variación hasta sistemas de optimización y generación de energía. Dentro de los dispositivos de control podemos clasificar perfectamente a los variadores de velocidad y frecuencia, que sin duda en la industria son muy importantes y necesarios para controlar la velocidad en bombas de impulsión y motores industriales como elementos finales de control o plantas, y también tenemos a las UPS o bancos de baterías que lo que hacen es proporcionarnos voltajes con muy buenas capacidades de corriente en caso de cortes de suministro eléctrico y de esta manera nos permitan trabajar de forma ininterrumpida.

 

        FABRICANTES DE TRANSISTORES IGBT

Dentro de los fabricantes de estos versátiles dispositivos tenemos como destacados a MITSUBISHI, FAIRCHILD SEMICONDUCTOR, IXYS, INFINEON TECHNOLOGIES, STMICROELECTRONICS, ya llevan varios años en el mercado mundial distribuyendo este tipo de componentes.

 CARACTERÍSTICAS PRINCIPALES DE LOS TRANSISTORES IGBT

Dentro de sus características más importantes destacamos su rapidez al momento de efectuar una conmutación. Aproximadamente 100khz y sustituto del transistor BJT en muchas de las aplicaciones. Usado altamente en fuentes conmutadas, control de tracción de motores, y en las famosas cocinas de inducción. Recuerden aquellas parrillas vitro-cerámicas que calientan recipientes metálicos usando campos electromagnéticos en vez de calentar mediante inducción a resistencias de fogones.

El IGBT se considera un transistor Darlington híbrido.  Tiene muy buena capacidad de manejo de corriente, pero no requiere corriente de base para entrar en conducción. Utilizado para conmutación de sistemas de alta tensión. El voltaje de compuerta o gate de excitación es de 15 volts, pero tiene la poderosa ventaja de controlar sistemas de potencia aplicando una señal eléctrica muy débil en el gate.

IGBT QUE ES- PARA QUE SIRVE- COMO FUNCIONA

¿COMO FUNCIONA UN TRANSISTOR IGBT?

 
 
 COMPOSICIÓN INTERNA.

La sección transversal de silicio de un IGBT, es muy similar a la de un MOSFET, exceptuando el sustrato p+. sin embargo, el comportamiento de este dispositivo es muy similar al de un BJT que al de un transistor MOSFET. Lo anterior se debe básicamente al sustrato p+ que es el responsable por decirlo así de la inyección de portadores minoritarios en la región n.

 
IGBT. QUE ES- PARA QUE SIRVE- COMO FUNCIONA
 
 
TABLA COMPARATIVA IGBT CON OTROS TRANSISTORES 
 
IGBT. QUE ES- PARA QUE SIRVE- COMO FUNCIONA
 

CURVAS CARACTERÍSTICAS DEL TRANSISTOR IGBT

 
.IGBT. QUE ES- PARA QUE SIRVE- COMO FUNCIONA
 

La curva característica de un IGBT es muy similar a la de un transistor bipolar.

 

Dentro de las regiones de trabajo de un IGBT tenemos la zona de avalancha, saturación, corte.

 

Los IGBT pueden ser NPN O PNP solo puede cambiar la corriente en dirección hacia adelante es decir del colector a emisor, a diferencia de los MOSFET que tienen capacidades de conducción de corriente en forma bidireccional. Controladas hacia adelante e incontrolables hacia atrás. Se puede implementar un PWM de alto voltaje control de velocidad, fuentes de alimentación conmutadas, y conversores de CC a CA empleando energía solar que operan en el rango de KHZ.

 

 

 RENDIMIENTO DE LOS TRANSISTORES IGBT

 
 

¿PARA QUE SIRVE UN TRANSISTOR IGBT?

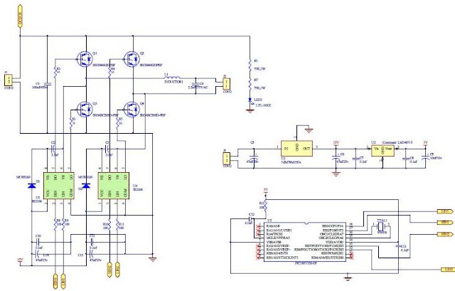
Dispositivos usados: IRGB4062DPBF (600V/24A Trench IGBT) High Side IGBTs

  • IRG4BC20SD-PBF (600V/10A S-type Planar IGBT) Low Side IGBTs
  • IRS2106S (600V half bridge driver IC).
  • Fuente de voltaje 200V, 3A DC
  • Fuente de voltaje 20V, 100 mA DC
  • Cargas de 120V/500W

 

Teoría de aplicación:

Una topología de circuito de puente completo se usa en este caso para construir un inversor DC/AC.

Durante el semiciclo positivo en la señal de salida, Q1 tiene forma sinusoidal, mientras que Q4 es mantenido en conducción. Durante el semiciclo negativo, Q2 tiene forma sinusoidal, mientras que Q3 se mantiene en conducción.

Las frecuencias de conmutación de los IGBTs son de 20kHz y 60 Hz. Esta técnica de conmutación produce una señal de 60 Hz senoidal a través de la capacitancia C4 y la inductancia L1. Q1 y Q2 son los IGBTs IRGB4062DPBF, ultrarrápidos, que ofrecen una conducción estable y una velocidad máxima de conmutación de 20kHz. Q3 y Q4 son IGBTs planos de tipo estándar dado que estos solo conmutan a 60 Hz.

Cada pata del puente tipo H se controla usando un sistema de alto voltaje en puerta IRS2106SPBF. El uso de este dispositivo elimina la necesidad de instalar una fuente aislada de potencia. Esto se traduce en un aumento de la eficiencia y reducción del número de componentes del sistema.

IGBT. QUE ES- PARA QUE SIRVE- COMO FUNCIONA
 

 Algunos beneficios del puente tipo H y la técnica de conmutación en este sistema son:

 

Alta eficiencia, dado que Q1 y Q2 no están sujetos a corriente directa y Q3 y Q4 tienen la mayor parte del periodo de conducción y poco tiempo de conmutación.

No hay posibilidad de conducción cruzada dado que la conmutación se produce en pares diagonales de IGBTs (Q1 y Q4 o Q2 y Q3).

Se opera desde un solo bus de alimentación de corriente continua eliminando la necesidad de un bus de corriente continua negativa.

 

Los IGBTs se manejan usando un dispositivo de alto voltaje en gate con técnica “bootstrap”. Las capacitancias tipo “bootstrap” para estos dispositivos se resetean cada ciclo de conmutación (cada 50 us). Siempre hay que arrancar el sistema aplicando un potencial de +20V tras aplicar 200V al bus de corriente continua. Con una Carga resistiva de 120V/500W conectada, la señal de salida será de 120V/60Hz

 
IGBT. QUE ES- PARA QUE SIRVE- COMO FUNCIONA

                                 SEÑAL DE SALIDA DE UN  TRANSISTOR IGBT

Diseñar un circuito de excitación para un IGBT, que mantenga una corriente de puerta de 40A cuando este activado y tenga un pico de 100A en el paso a conducción. La tensión Vi soporta una tensión de 100V con un ciclo de trabajo del 50% y una frecuencia de conmutación 1000kHz. Suponemos que VGE es de 20V cuando el transistor esta en conducción.

 
Solución
El valor de R1 viene determinado por la necesidad del pico inicial de corriente. Despejando R1 en la siguiente fórmula:
 
IGBT. QUE ES- PARA QUE SIRVE- COMO FUNCIONA
La corriente de puerta en conducción en régimen permanente determina el valor de R2:
 
IGBT. QUE ES- PARA QUE SIRVE- COMO FUNCIONA
El valor de C se calcula a partir de la constante de tiempo necesaria. Para un ciclo de trabajo del 50% a 1000 kHz, el transistor conduce durante 0,5μs. Haciendo que el tiempo de conducción del transistor sea cinco veces la constante de tiempo, t=0,1μs:
 
IGBT. QUE ES- PARA QUE SIRVE- COMO FUNCIONA
TIPOS DE TRANSISTOR

En el mercado tenemos diversos tipos de transistores, entre los cuales se encuentran los de corte y saturación, los FET y MOSFET, los IGBT por mencionar los más relevantes, sin embargo, aquí te dejamos unos links en color azul para que los puedas observar

TRANSISTOR EN CORTE Y SATURACIÓN.

LABORATORIO RELACIONADO CON TRANSISTORES.

FET Y MOSFET

TRANSISTOR IGBT

REGRESAR A ELECTRÓNICA BÁSICA.

 
                                                     BIBLIOGRAFÍA
 
https://www.electronics-tutorials.ws/power/insulated-gate-bipolar-transistor.html

https://riverraid17.files.wordpress.com/2010/03/electronica-de-potencia-rashid-espanol.pdf

Deja un comentario