La conversión digital analógica se dá cuando usted como usuario desea recuperar o re-obtener por decirlo así una señal digital que bien sea haya sido procesada y desea regenerarla. Puede ser en el caso en el cual usted esté muestreando una señal de temperatura y necesita devolverla al medio contínuo, o bien puede ser que usted no necesita recuperar dicha señal sino generar una a partir de una señal digital como por ejemplo: de algo tan simple como un dipswitch. El proceso que podemos describir para devolver u obtener una señal de digital a analógica se llama reconstrucción.
cada valor discreto de unos y ceros debe estar relacionado directamente con el valor previamente definido de una señal analógica tal y como se especifica en la figura 1.
| figura |
un conversor digital-analógico con un código de entrada en forma binaria pura, obtiene a partir de una palabra digital de n-bits niveles discretos de voltaje o corriente según la siguiente relación matemática.
y podemos deducir que el voltaje Vfe es el valor de fondo de escala y el valor máximo de Vo está determinado por la siguiente ecuación:
electrónicamente tenemos muchos circuitos típicos de conversión digital analógica, sin embargo el DAC 0808 es un circuito integrado típico para dichas aplicaciones.
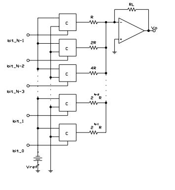
CONVERSOR DIGITAL-ANALÓGICO CON RESISTENCIAS PONDERADAS
Este circuito posee un sumador que va incrementando los valores de n-bits y a medida que los suma, arroja una señal análoga completamente reconstruida.
la corriente en masa virtual es:
podemos ver que esta ecuación es muy similar a la de un sumador inversor.
la ecuación del voltaje de salida está determinada por:
CONVERSOR DIGITAL ANALOGICO CON RED DE ESCALERA
para este circuito podemos observar un par de resistencias conectadas en escalera en forma serie/paralelo como si fueran divisores de tensión y finalmente llegan las conexiones a un amplificador inversor.
DAC CON RED EN ESCALERA CASO 1000
DAC CON RED EN ESCALERA CASO 0100
DAC CON RED EN ESCALERA CASO 0001
DAC 0808
el DAC 0808 es un convertidor de digital a analógico monolítico de 8 bits con un tiempo de ajuste de escala completa de 150 nanosegundos (nS) mientras que solo disipa 33mW de potencia con suministros de tensión de +5Volts. No requiere ningún recorte de corriente de referencia Iref para la mayoría de aplicaciones ya que la corriente de salida de escala completa es típicamente ± 1 LSB de 255 I REF / 256. Las precisiones relativas de mejor que ± 0,19% aseguran la monotonicidad y la linealidad de 8 bits, mientras que la corriente de salida de nivel cero de menos de 4 μA proporciona precisión cero de 8 bits para I REF > = 2 mA. Las corrientes de suministro de energía del DAC0808 son independientes de los códigos de bit, y exhiben características de dispositivo esencialmente constantes en todo el rango de voltaje de suministro.
CARACTERISTICAS
- Exactitud relativa: máximo de error de 0.19%
- Coincidencia actual a escala completa: ± 1 LSB típico
- Tiempo de establecimiento rápido: 150 ns típico
- Las entradas digitales no inversoras son compatibles con TTL y CMOS
- Velocidad de respuesta de multiplicación de alta velocidad: 8 mA / μs
- Rango de voltaje de suministro de energía: ± 4.5V a ± 18V
- Bajo consumo de energía: 33 mW @ ± 5V
TIPOS DE ENCAPSULADO
CIRCUITOS TIPICOS DE CONEXIÓN Y COMPROBACIÓN
CONTENIDOS MÁS RELEVANTES.
