RESUMEN
En la reciente práctica de laboratorio se realizó una experimentación con condensadores en serie y paralelo con el fin de dar a conocer cómo se comportan al momento de tener este tipo de configuraciones y deduciendo leyes como las de kirchoff de voltajes. De igual forma se cargó un condensador aplicándole un potencial y luego desconectando la fuente se procedió a descargarlo para observar la caída del estado estable del mismo. Por ello para esta práctica se tomaron datos de cada una de las capacitancias, se determinó voltaje en cada uno de ellos y se analizaron resultados teóricos con resultados experimentales para posteriormente deducir leyes de voltaje.
OBJETIVOS
Opera adecuadamente los instrumentos eléctricos de medida identificando la variable física y su respectiva unidad de medida.
Emplea y utiliza los conceptos de carga y potencial para determinar la capacitancia.
MATERIAL USADO.
1 protoboard
1 fuente de voltaje DC
1condensadores cerámicos
1 resistencia de 33k
1 juego de conectores banana.
PROCEDIMIENTO
Construya un circuito capacitivo en serie con al menos tres elementos, mida la capacitancia equivalente con la fuente desconectada y con los capacitores descargados, y compare con el valor teórico. Mida el voltaje en cada uno de los capacitores, ¿El comportamiento es similar al resistivo? ¿Por qué?
Construya un circuito capacitivo en paralelo con al menos tres elementos, mida la capacitancia equivalente y compare con el valor teórico. Mida el voltaje en cada uno de los capacitores, ¿El comportamiento es similar al resistivo? ¿Por qué?
CARGA Y DESCARGA DEL CONDENSADOR
Considérese el circuito en serie de la figura. Inicialmente el condensador está descargado. Si se cierra el interruptor I la carga empieza a fluir produciendo corriente en el circuito, el condensador se empieza a cargar. Una vez que el condensador adquiere la carga máxima, la corriente deja de fluir por el circuito. Tome datos de voltaje en el capacitor cada 5 segundos, grafique y compare la curva con el análisis teórico de la consulta previa utilizando los valores de resistencia y capacitancia de los elementos.
Consideremos ahora el circuito que consta de un condensador, inicialmente cargado, y una resistencia R, y se cierra el interruptor figura 7 para que el capacitor se descargue a través de la resistencia R. Tome datos de voltaje en el capacitor cada 5 segundos, grafique y compare la curva con el análisis teórico de la consulta previa utilizando los valores de resistencia y capacitancia de los elementos.
RESULTADOS OBTENIDOS.
Para el primer circuito se midió la capacitancia equivalente conectando un multímetro en la escala de capacitancia. Primeramente conectamos 2 condensadores en paralelo.
el valor de la capacitancia obtenida fue de 0.68 uF (dato práctico)
el valor de cada uno de los capacitores de manera práctica fue el siguiente:
C1= 0.216 uF (dato práctico)
C2=0.449 uF (dato práctico)
Con base a los resultados obtenidos, procedimos a calcular la capacitancia de forma paralela. La justificación para realizar dicho cálculo es que los condensadores en paralelo se suman y se obtiene una capacitancia equivalente. Este fue el resultado.
Ceq=C1+C2 = 0.216 uF + 0.449 uF =0.665 uF
Luego de eso determinamos el porcentaje de error de nuestra medida.
luego de determinar el porcentaje de error, se procedió a determinar los valores de la tensión de forma teórica. Se efectuó la medición práctica con el multímetro en escala de voltaje y estos fueron los datos arrojados por el mismo
Vc1= 9.98V (práctico)
Vc2=9.96V (práctico)
de manera experimental se pudo comprobar de igual forma, para hacer esto se dice lo siguiente;
con la carga equivalente podemos determinar el valor teóricamente de los voltajes del condensador. Las operaciones efectuadas para este procedimiento son las siguientes;
Q1= (0.216 uF)(10V)= 2.16 uC
Q2=(0.449 uF)(10V)= 4.49 uC
Qequivalente= 2.16uC + 4.49 uC=
6.65 uC
luego de obtener la carga de cada uno de los condensadores, determinamos la tensión en cada uno. como están en paralelos, el voltaje será igual para ambos ya que en un circuito en paralelo el voltaje es el mismo;
V0 = V1 = V2
Podemos ver que los voltajes en ambos condensadores es el mismo
Luego de haber realizado esto, se efectuó la experimentación para condensadores en serie.
Se procedió a usar los condensadores anteriores para determinar su capacitancia.
C1= 0.216 uF (dato práctico)
C2=0.449 uF (dato práctico)
Se mide su capacitancia en serie y se obtiene el siguiente valor práctico.
C(práctico)= 0.140 uF
Se calcula la capacitancia equivalente para el circuito propuesto.
Ceq= 0.1458 uF
Se calcula porcentaje de error
Veq=V1+V2= 6.75V + 3.24V=9.99V
se efectuó el mismo procedimiento para los condensadores en paralelo midiendo el voltaje. Los resultados prácticos son similares a los obtenidos en la teoría.
Vc1= 6.73V
Vc2=3.28V
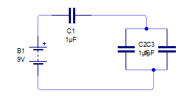
Luego de eso se efectúan procedimientos aplicados a las configuraciones serie-paralelo para condensadores mixtos
Se determina su capacitancia equivalente tomando medida de cada uno de los capacitores. Estos son los resultados;
C1=0.088 uF (practico)
C2=0.451 uF( prácticoo)
C3=0.217 uF (práctico)
luego se determina su capacitancia equivalente de forma teorica.
C2+C3= 0.668 uF en paralelo
Luego se calcula la serie entre el condensador que está en el extremo de la batería.
luego de eso se determina el voltaje e cada uno de los capacitores y aplicando las ecuaciones anteriores, corroboramos la carga total y determinamos voltaje en cada uno.
Q=Ceq.V =0.077.10V= 0.775 uC
Determinamos teóricamente los voltajes en cada uno de los capacitores.
V1= Q/C =0.77uC/0.088 uF =8.8V
V2=V3
V2=Q/C = 0.77/0.66 =1.16V
Veq= V1+V2 =8.8V+ 1.16V = 9.96V
Después de eso se procedió a analizar al condensador en fase de carga y descarga.
Primeramente se calculó τ en fase de carga, corresponde a la constante de tiempo del circuito RC.
la constante de tiempo se determinó tomando los valores de R y C y multiplicarlo para obtener el tiempo de carga y descarga en segundos.
Posteriormente se montó el circuito de la figura.
se esperaron 33 s para que el condensador se cargara y se tomaron una serie de valores. Una vez cargado, se conectó un multímetro al condensador en paralelo para observar su fase de descarga y se cerró el circuito y se apagó la fuente posteriormente se graficaron valores obtenidos.
la ecuación que modela el procedimiento anterior está regida por;
donde y corresponde al valor del voltaje y x es determinado como la constante de tiempo en Segundos.
partiendo de la ecuación anterior podemos expresarla de la siguiente manera;
PREGUNTAS.
¿Qué es y cómo funciona un condensador? ¿Qué aplicaciones tiene?
r/ Un condensador es un dispositivo que almacena energía de manera temporal o por un determinado tiempo. Está formado por dos placas separadas por un material llamado dieléctrico. Entre las aplicaciones que encontramos podemos encontrar las fuentes de voltaje para procesos de filtrado de una señal de corriente alterna AC y en circuitos electrónicos como dobladores de frecuencia, circuitos resonantes etc.
¿Cómo cambia la capacitancia en un condensador de placas paralelas al introducir entre sus placas diferentes combinaciones de materiales dieléctricos?
Depende básicamente de la permitividad del material directamente teniendo en cuenta su área superficial.
Los condensadores pueden combinarse en serie y/o en paralelo. Describa con detalle en qué consiste cada una de dichas combinaciones y, calcule sus respectivas capacitancias equivalentes.
los condensadores en serie se conectan entre sí unos a otros formando una sola rama dentro del circuito o bien una sola malla. Lo que sucede en esta configuración es que el voltaje se va a repartir para cada uno de los elementos y la corriente permanecerá constante alrededor del circuito. Aquí perfectamente sumando todas las tensiones de los capacitores se obtiene el potencial que suministra la fuente, ellos se multiplican y se dividen entre sus valores de capacitancias, caso contrario ocurre con condensadores en paralelo, donde el voltaje es igual para todos en el circuito y sus capacitancias se suman. Una perfecta demostración de capacitores se realiza usando ecuaciones de campos eléctricos entre placas teniendo en cuenta sus permitividades.
¿Cómo funciona un circuito RC? ¿Qué utilidad tiene? Consulte con todo detalle sobre el tema.
un circuito RC funciona en conjunto con una resistencia y tiene dos estados de carga, el estado estable y el estado transitorio o transiente. El estado estable se dá al inicio cuando se le suministra tensión al circuito y ocurre un pequeño cambio de la tensión dependiendo de la constante de tiempo calculada, luego de que ya ha alcanzado su carga máxima entra a un estado estable y se dice que en este instante el condensador adquiere el voltaje de la fuente. Si se desconecta la fuente, o se abre el circuito pasa a un estado transistorio y luego a un estado estable similar al proceso de fase de carga. Dentro de las aplicaciones en circuitos eléctronicos podemos usarlo en aplicaciones de divisores de tiempo para generar una onda cuadrada a través de un circuito integrado NE 555 también para ajustar una constante de tiempo para microcontroladores ya que ellos dependen en cierta forma de un tiempo de ejecución de una programación preestablecida o como sistemas de descarga de motores, lámparas.
CONCLUSIONES.
el almacenamiento de energía en un condensador implica realizar un trabajo para llevar la carga desde una de las placas del capacitor hasta la otra del mismo, venciendo las fuerzas eléctricas. A medida que se va almacenando la carga durante cierto tiempo o el proceso de carga del capacitor, cada elemento de carga, va requiriendo más trabajo para llevarlo a la placa positiva.
si entre las placas de un capacitor introducimos un dieléctrico, el campo electrico y por tanto la diferencia de potencial disminuye como consecuencia de la polarización en su interior. a ese factor de disminución se le conoce como constante dieléctrica y es un numero para cada material dieléctrico.
Los capacitores son componentes muy importantes ya que estos pueden almacenar grandes cantidades de energía eléctrica y es capaz de liberarla en el momento que más se requiere de ella logrando también con esto que un circuito eléctrico permanezca estable y sin variaciones de voltaje.
BIBLIOGRAFÍA
BOYLESTAD Robert. Introducción al análisis de circuitos. Tema: condensadores en serie y paralelo. Pearson Education 2005
CONTENIDOS MÁS RELEVANTES.





















